
总部办公室地址:江苏省盐城市大丰区富康路20号(西)
联系电话:15251098989
电子邮件:841077479@qq.com


系统信息
旋转式粘度计控制系统包括探头和变送器。粘度计采用一体化免维护设计。
请勿打开探头任何部件,产品一体化设计无任何需维护部件。 运输过程请勿把握探头以免损坏探头测试传感元件。
注意:产品放置时请勿使探头传感元件受力触地。
产品简介
粘度计是由传感器探头和变送器组成,可安装在反应釜,反应槽和管道上测量液体的粘度。
转粘度计测量系统的探头能准确的测量粘度,变送器能够及时将粘度显示出来。粘度计可以在线测量各种液体的粘度,如:胶.漆.间歇聚合工艺,乳化和分散,管线内的在线混合等。
粘度计测量系统在过程控制应用中免维护。探头没有可移动活动部件。测量系统使用旋转扭矩原理,通过电机旋转带动转子.转子旋转时与液体之间有一粘合力.阻止转子正常运转.从而通过感应器微电脑转换成标准信号4-20mA或485通讯。信号数值可以显示在变送器上,同时输出 4-20mA 信号,可直接进入客户现场系统。
产品参数
粘度范围 | 1-600000MPa.S |
精度等级 | 0.5%~0.1% |
供电电源 | 24VDC. 12V .5 v |
输出信号 | 4-20mA. 485通讯(Modbus RTU) .0-5V |
温度范围 | ≤85℃(高温可定制) |
压力范围 | ≤6Mpa(高压可定制50MPA) |
仪表材质 | 304、316L、902L、2205不锈钢,钛HC,其他材质可定制 |
接液材质 | 聚四氟乙烯、316L |
防护等级 | IP67 |
防爆等级 | Exd ii CT6 GB ATEX 粉尘防爆22区 |
连接方式 | 法兰安装、快卡安装、螺纹安装 |
RS485、RS232 通讯模块 | |
可选功能 | 2.4″/7″触摸液晶显示屏 |
温度显示 | |
现场校准软件 | |
标准液 |
选型表 | |||
主型号 | JS-N | 老款粘度计 | |
JS-ND | 旋转粘度计 | ||
JS-ND-Z | 振动粘度计 | ||
JS-ND-HX | 呼吸粘度计 | ||
-L | -LM | 单位:mpas | -LM500:量程为500mpas的粘度计 |
-LC | 单位:cst | -LC500:量程为500cst的粘度计 | |
-LS | 单位:s | -LS500:量程为500s的粘度计 | |
-LP | 单位:cp | -LP500:量程为500cp的粘度计 | |
-W | -W | 常温 | |
-WG | 高温 | ||
-WL | 低温 | ||
-Y | -Y | 常压 | |
-YG | 高压 | ||
-YL | 低压 | ||
-X | -X7 | 7寸触摸屏 | |
-X11 | 11寸触摸屏 | ||
-C | -C | 常规材质 | |
-CT | 钛合金材质 | ||
-C4 | 304材质 | ||
-C6 | 316材质 | ||
-CH | 哈氏合金材质 | ||
-A | -AF | 法兰安装 | |
-AL | 螺纹安装 | ||
-AK | 快卡安装 | ||
-S | -S4 | 4-20mA输出 | |
产品安装
注意:
当您从包装箱里取出探头或者是在安装的过程中,务必不要用手去提探头的传感元件。
探头在包装,拆箱,运输,安装和拆卸过程中施加在探头传感元件上的外力过大会使探头变弯。探头弯曲变形会使产品彻底损坏。
请保管好粘度计的原包装。为避免在运输或存储中受到损坏,探头一定要放到原厂包装中。
搬运或者运输过程,务必包装好产品,保证探头不会折弯或损坏。
拆箱从包装箱中取出探头、变送器和电缆。
再次重申,搬运探头时禁止握着探头顶端的传感元件
打开包装,移除泡沫可看到底层泡沫,从底层泡沫上小心取出探头。
产品开箱后。如有任何明显的损坏,请联系本公司。
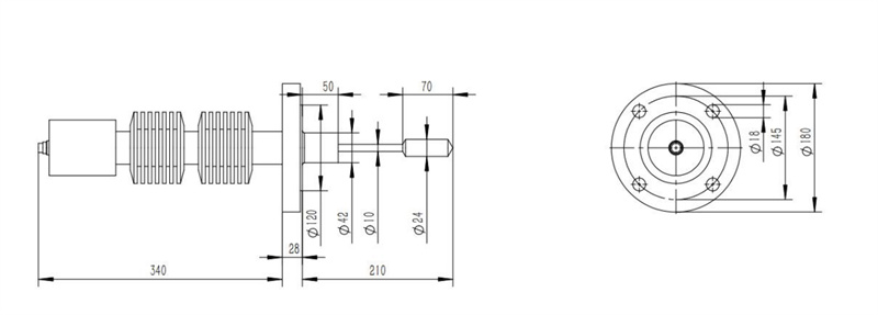
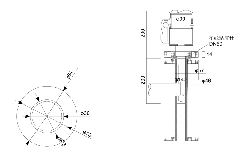
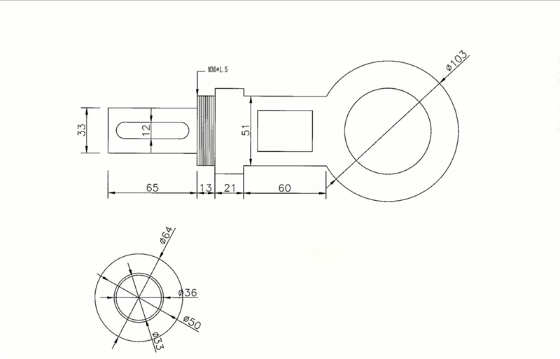
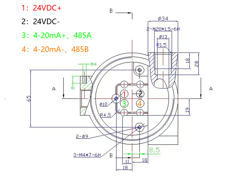
外形尺寸



机械安装
传感器安装位置需要避免搅拌影响。传感器探头的安装位置不要太靠近马达,搅拌器,水泵或是其他会引起湍流紊流的机械设备。

如果测量的结果不是很稳定,证明转子的大小要要更换了.可以通过转子来调整粘度值.出厂时标好了转子粘度区间。
转子的大小会影响粘度精度。转子与电机是通过柔性连接或弹性连接来避免测量过程液体振动对测量精度的影响。
管线中应用湍流装置或分流可以减少对旋转的影响,但勿将探头安装在流速不稳定的地方,因为流体速度过快会影响测量效果。
只要符合控制系统的过程要求,探头是可以安装在任何位置的。在安装过程 中探头的传感元件不能受到任何的外力施压,安装的连接位置要求机械稳固。
如被测物料中有固体颗粒或可能撞到探头的物质时,需要在探头部位装上 防护罩或其他保护措施。详情请咨询本公司。
如果物料已经固化在探头上,不能用力去清除,必须把转子拆下用溶剂去清洗或是加热熔化。
确保驱动的温度低于相应的标准要求:
产品型号 | 最高过程温度(℃) | 备注(量程定制) |
O | 100 | |
P | 200 | |
Q | 300 | |
R | 400 | |
S | 特殊情况 | |
T | 超高温或超低温 |
为保证系统的重复性,探头的传感元件必须一直放置在液体的流动区域。 传感探头在非流动区域和有气泡的地方会因为流体效应造成测量误差。如有死角或者淤堵情况,延伸颈可用来堵物料的死角。
传输电缆需放入走仪表线或低压线缆的导线槽内,或单独穿管走线。
为预防外部对测量造成干扰,连接电缆请使用屏蔽电缆。
禁止靠近高压的电力线走线。
如单独穿管走线,靠近探头的地方需用软管连接。
电气连接
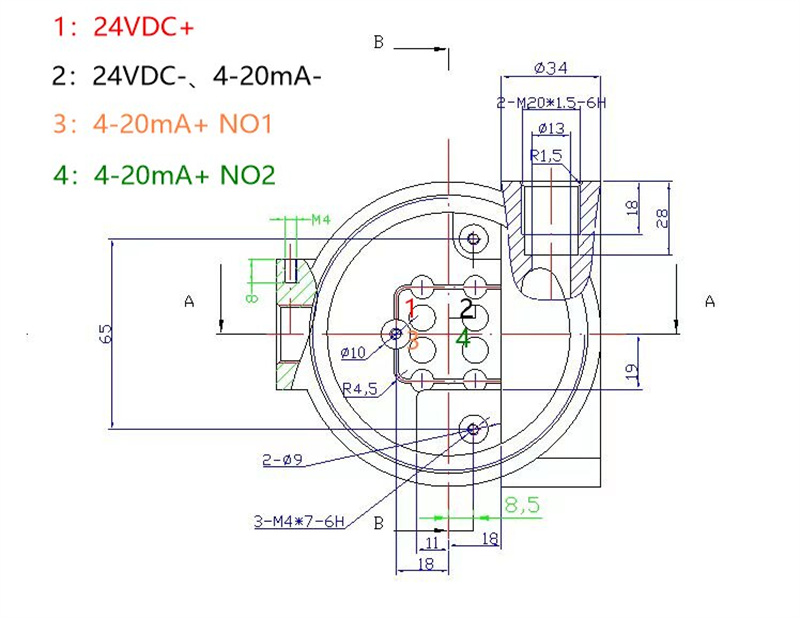
一、双路4-20mA款接线图:

探头端的接线。打开圆形顶盖,将传输电缆穿过格兰头,按照序列号接好传输 线,导线的颜色可作区分之用。
二、4-20mA或485二选一款接线图

请勿松动接线端内部的连线。
导线连接好后,将圆形顶盖安原样盖好锁紧。同时锁紧锁线螺栓,防止水滴溅入。
注意事项
必须在探头安装好及电源和传输电缆连接好后,才能调零。
确保探头安装牢固可靠,在调零点之前要保证探头的传感元件能在空气中正常振动。
探头上有物料包裹的时候,切记不能做归零调整。
如系统维护需要移除或拆下探头,在重新安装后需要再次调零。
为了保证测量系统有很好的重复性,须在相同的条件下做零点调整。
探头的防护
出于安全考虑,温度超过量程设定的最高值系统会自动关闭粘度测量。对于某些型号会监控两路温度
a)过程温度:
过程温度超过传感器型号规定的温度,粘度测量系统就会自动关闭。当过程温度下降回允许温度后,系统会自动重新正常工作。
注意:
如果发生错误,只要把过程温度降低到探头型号规定的温度即可,无需其他操作。
如果经常出现温度超过探头型号规定值,请联系本公司升级探头型号。
b)驱动温度:
如果驱动温度超过,粘度计测量系统会自动关闭。 这个参数不能用户自行修改。详细请咨询本公司。
一般来说驱动温度的极限是 190℃。我们建议所有类型探头的驱动温度<170℃。为了驱动的安全,请不要让线圈长时间处在高温条件下,必要时采取降温措施。
c)如果探头安装处的过程温度超过 190℃,选用高温型产品,或者通空气冷却。
如果驱动温度长时间超出额定温度,探头可能会发生永久性的损坏。请联系本公司。
工作原理
旋转扭矩原理粘度测定法
1、电机驱动软连接带动转子
2、溶液的粘合力作用在转子表面产生细微的阻力
传感器采用完全密封的焊接构造,对于过程来说,驱动的机械装置也完全密封。传感器整体一体化设计安装方便。

应用案例
1、 油田钻井领域,检测钻头携带泥浆粘度变化,就可以分析地下油气变化。
2、 油田聚合物驱采油,检测控制聚合物粘度,可以提高采油产量。
3、 在炼油产业油品粘度监测是控制油品质量的关键手段。
4、 树脂、化纤行业粘度控制是产品成型的质量保证。
5、 公路沥青铺设,沥青粘度控制是公路质量保证。
6、 饮料行业控制饮料粘度,能够保证饮料口感。
7、 输送液体行业,检测粘度控制输送泵的负荷能够节约大量能源。
8、 涂料、油漆工业粘度控制是重要的质量保证。
9、 粘度控制制胶行业是实现自动生产线的关键技术。
10、粘度控制在船舶工业燃料控制方面,起到重要环境保护。
注意
安装要求:
请仔细按照以下说明操作
◆ 搬运探头时不要握着探头顶端的传感元件。只能搬法兰和后盖部分。
◆ 如果有需要根据线上的指示数字连接探头和变送器的接线端子。不要松动或损坏连接到探头内部的线。
◆ 只能有本公司或当地的授权代理商来校准或维修探头内部的元件。
◆ 除了后盖以外不应打开探头的其他部分。探头内部无需要调节的部件。校准和调节已经在工厂完成。在接探头连线时保证变送器的电源处于关闭状态。
◆ 不要用水去冷却探头内部的驱动。只能用清洁的干燥仪表空气去冷却。
◆ 当变送器的后盖打开后,电源部分会暴露出来,切忌要断开电源。
◆ 粘度计系统变送器标准的电源是 24VDC;
◆ 系统校准时已包含了传输电缆的长度,不要随意更改长短,否则会影响 测量的精度。如果系统配有安全栅,则校准时也是包含安全栅不要随意替换。
◆ 请保留好原厂的包装。探头在存储转运的时候,为避免损坏到探头, 请使用原厂的包装。
◆ 调零点时,探头一定要是干净的,并牢固的安装在空的管槽中,且能够在空气中无阻碍的自由旋转。
◆ 在正常的生产运行中,不能调零。如果发生这样的情况,为了保证系统的重复性,务必要在相同条件下在空气中重新调零。
◆ 如果系统没有在安全方式下运行,将不保修。明显的系统破坏、运输损坏探头折弯不在保修之列!
◆ 在返厂维修之前,系统应经过授权的服务技术人员彻底检查。
◆ 请咨询本公司或当地的授权代理商获得进一步的指示和说明。
操作条件
1、为了保证设备的重复性,探头在任何时间都要完全插入液体中测量。
2、探头部位的液体要保持流动。
3、探头应安装在没有气泡和没有流体死角的地方。
4、为了保持最佳的重现性,浆料的流速要保持恒定。以防沉淀物产生。
5、探头最好安装在流体的中心,防止物料沉淀和焦化在探头上。在某些特殊的场合,探头需要定期清洁清洗。
6、防止流体中固体撞击探头。如遇到此问题请联系本公司或当地授权代理商。
7、防止过大的搅动,可以用镂空挡板圆罩进行保护减少液体的巨大冲击影响。
8、对于系统检测粘度的细小差异时,可根据需要设置温度补偿或是对测量数据取移动平均值。
9、不要超过系统指定的最大最小量程。尤其不要超过指定的温度和压力。
总部办公室地址:江苏省盐城市大丰区富康路20号(西)
联系电话:15251098989
电子邮件:841077479@qq.com


总部办公室地址:江苏省盐城市大丰区富康路20号(西)
联系电话:15251098989
电子邮件:841077479@qq.com
Copyright © 2024 江苏精籁电子科技发展有限公司 苏ICP备2024106111号
